点击放大
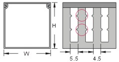
产品名称: 含膠型防滑配線槽 产品型号: GQ-3060、GQ-4060、GQ-6060、GQ-8060、GQ-10060… 产品简介: 台灣KSS凱士士絕緣配線槽採用UL合格之南亞 PVC(灰色)材質,M1防火等級,防火等級 94V-0,耐燃,絕緣性良好,不自燃,耐溫至85℃,由槽底及槽蓋兩部份組成,底槽兩側設出線孔,出線孔4.5mm,以組合後外部之寬、高為規格標準,每側設有一條刀割式折痕。UL測試溫度50℃。兩側出線孔之凸點設計,可在同一出線孔做分層區隔使用,槽底兩側均有一條刀割式摺痕線設計,可依安裝者需求,折出需要的側孔大小。
详细说明
K101 含膠型防滑配線槽
Wiring Duct With Non-Slip Cover (Slotted)
材質: 採用UL合格之南亞PVC(灰色)製成,通過美規94V-0防火等級,歐規M1防火等級,耐燃性佳,絕緣性良好,不自燃,耐溫至85℃。膠層為PE共聚合物 (PE copolymer)。 構造: 由槽底及槽蓋兩部份組成,底槽兩側設出線孔,出線孔4.5mm,以組合後外部之寬、高為規格標準,每側設有一條刀割式折痕。UL測試溫度50℃。 特點: 1. 兩側出線孔之凸點設計,可在同一出線孔做分層區隔使用。 2. 槽底兩側均有一條刀割式折痕線設計,可依安裝者需求,折出需要的側孔大小。 3. 於配線槽上蓋掛勾之內面設有「特殊止滑膠層」,能有效增加澀度及黏度,使線槽與上蓋密合,防止上蓋滑動、脫落,更利垂直上下佈線作業,提昇施工效率。
高度 60mm
高度 80mm
高度 60mm
高度 80mm
1 絕緣配線槽系列
快速评论








